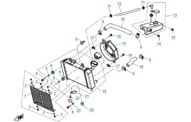
СИСТЕМА ОХЛАЖДЕНИЯ ДВИГАТЕЛЯ для CFMOTO 150-C Leader
№
Название, артикул
Цена
(руб.)В узле
(шт.)
7 (7-1)
741 руб.
1
В наличии
В наличии
741 руб.
№
Название, артикул
Цена
(руб.)В узле
(шт.)
7 (7-1)
741 руб.
1
В наличии
741 руб.

